计算啦
首页
全部分类
首页
>
电机
>
径向密封O型圈压缩量计算
Date:2025-06-02
HTML
保存结果
注册/登录
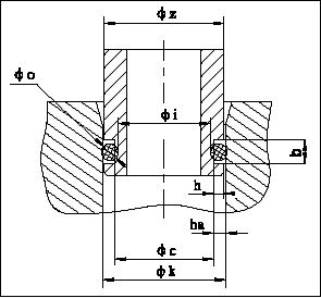
代号
基本尺寸
公差
计算值
理论上必须满足的条件
孔内径
Φk
20.033
20
轴外径
Φz
19.4
<
20
轴最大外径应小于孔最小内径
19.3
槽底直径
Φc
0
15.9
15.816
O型圈直径
Φo
2.74
2.56
O型圈内径
Φi
15.17
≤
15.816
O型圈内径应≤槽底直径
14.83
槽宽
b
4.05
3.8
计算
重置
例子
Copy
结果
槽深(径向)
最大值
hmax
1.792
最小值
hmin
1.742
>
1.37
最小槽深大于O型圈最大半径
槽横截面积(到孔)
最大值
Scmax
8.539
槽最小横截面积要大于O型圈最大横截面积的1.15倍(膨胀15%)
最小值
Scmin
7.790
>
6.781
O型圈横截面积
最大值
Somax
5.896
最小值
Somin
5.147
O型圈装入后单边厚度
最大值
hamax
2.109
<
2.15
标准要求的最大单边厚度
最小值
hamin
2.05
>
2.05
标准要求的最小单边厚度
O型圈装入后单边厚度
(孔、轴偏最大时)
最大值
hpmax
2.475
<
2.56
O型圈最小直径应大于O型圈压缩量最小处的厚度
压缩量
最大值
xmax%
25.182%
<
26.30%
标准要求的最大压缩量
最小值
xmin%
17.637%
>
14.20%
标准要求的最小压缩量
O型圈预拉伸率
最大值
ymax%
7.22%
<
6%
标准要求的最大预拉伸率
参考标准:
1、GBT3452.3-2005液压气动用O形橡胶密封圈 沟槽尺寸
2、GB3452.3-1988 液压气动用O形橡胶密封圈 沟漕尺寸和设计计算准则
此工具的结果仅供参考!
上一篇:
综合布线计算书
下一篇:
变位齿轮传动几何尺寸计算(YTF-91滚80齿)
你的足迹:
相关工具
气缸选型计算公式
矩形抗扭
深、短梁抗弯
T形单筋抗弯
矩形抗弯抗剪
钢管混凝土柱计算
齿轮参数计算
外齿轮插齿、剃齿验算
圆柱齿轮测量尺寸计算
地下室外墙计算书
评论