计算啦
首页
全部分类
首页
>
电机
>
箱型(工型帖板)截面参数计算
Date:2025-06-04
HTML
保存结果
注册/登录
*
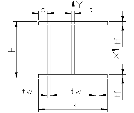
截面高度H
mm
*
宽度B
mm
*
腹板缩进c
*
翼缘tf
*
腹板tw
*
中间板t
计算
重置
例子
Copy
结果
毛截面面积(mm
2
)
575
Ix(mm
4
)
Iy(mm
4
)
Iz(mm
4
)=(∑bt
3
)/3
476197.9167
158697.9167
3593.75
截面模量Wx(mm
3
)
截面模量Wy(mm
3
)
11904.94792
7934.895833
剪切面积Ax(mm
2
)
剪切面积Ay(mm
2
)
375
200
AX
D
WF
TF
IZ
IY
IX
AY
AZ
575
80
40
2.5
476197.91666667
158697.91666667
3593.75
375
200
STAAD/pro 程序TUBE截面数据输出(仅对ASD规范校核)
AX
D
TW
WF
TF
IZ
IY
IX
AY
AZ
575
80
040
2.5
476197.91666667
158697.91666667
3593.75
375
200
对H型
此工具的结果仅供参考!
上一篇:
简支梁温度变化引起内力计算
下一篇:
正应力计算
你的足迹:
相关工具
气缸选型计算公式
矩形抗扭
深、短梁抗弯
T形单筋抗弯
矩形抗弯抗剪
钢管混凝土柱计算
齿轮参数计算
外齿轮插齿、剃齿验算
圆柱齿轮测量尺寸计算
地下室外墙计算书
评论